高纯铝气压出料电炉技术交流总览
一、客户核心需求确认
- 设备类型:定制99.9995%超高纯铝熔炼电炉,采用气压压出铝液方式,批式生产,人工开盖加料
- 工艺参数:
- 熔炼量:500KG/批次
- 铝液温度:≤750℃
- 配套铸棒工艺:2根Φ200mm×3m铝棒,铸造速度120mm/min
- 生产节奏:8小时内完成500KG熔化
- 工作制:24小时连续生产
- 关键要求:
- 全程隔绝铝液污染
- 必须保留磁场搅拌功能(成分均匀性保证)
- 我方仅负责熔炼炉本体,流槽、过滤箱、模盘铸造机由客户自备
- 铝液密度低、流动性好
- 转子、伸液管需采用低污染材质
- 伸液管需保证铝液充满管道(防氧化造渣)
二、技术方案设计要点
- 污染隔绝体系
坩埚方案:
- 采用"浇筑料+高纯氧化铝涂层"组合
- 完全避免石墨材质接触铝液
- 涂层需便于施工和残留铝清理
关键耗材选型:
- 除气转子:2种方案备选
- 方案A:高纯石墨+双层涂层防护
- 方案B:氮化硅基体+氮化硼涂层+保温箱
- 核心指标:灰分≤30ppm,无杂质溶出
- 伸液管:
- 耐火材料基底+氮化硼涂层
- 结构设计确保铝液满管流动
- 配备气氛保护系统
- 结构与工艺设计

加热方式:
- 优先采用中频加热(需验证与坩埚材质兼容性)
- 配套电源:380V三相90KW
搅拌系统:
- 保留中频电磁搅拌(成分均匀性关键)
- 辅以除气转子机械搅拌
- 双重保障熔体均匀性
出料系统:
- 气压驱动出铝,适配高流动性特点
- 气源要求:6Kg干燥压缩空气
- 液位控制精度:±10mm
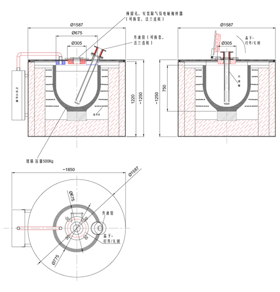
- 设备配置概览
- 炉体材料:Q235B钢材
- 保温结构:块状保温棉,整炉密封
- 炉盖设计:集成可升降除气转子,配备磁力搅拌管接口
- 连接方式:伸液管与流槽法兰连接
- 密封要求:除气后密封可靠,不影响气压稳定性
三、待解决关键技术问题
核心卡点:
- 坩埚与加热方式匹配性
- "浇筑料+高纯氧化铝涂层"方案是否完全适配中频加热?
- 能否稳定实现电磁搅拌效果?
- 如不兼容,替代方案(电阻加热)能否满足搅拌要求?
验证计划:
- 我方提供材质样品及兼容性测试报告
- 客户验证搅拌效果与污染控制水平
- 确认后5个工作日内完成详细方案
四、项目推进计划
近期任务:
- 完成伸液管结构详细设计(含3D示意图)
- 提供两种除气转子方案的技术对比
- 准备材质兼容性验证样品
后续步骤:
- 客户确认坩埚加热兼容性方案
- 出具完整设备定制方案(含结构总图、参数表)
- 提供耗材清单与成本报价
- 技术交底与生产准备
五、特别说明
- 责任界面:我方仅负责熔炼炉本体及气压压出系统
- 工艺衔接:后续流槽、过滤、铸造环节由客户独立设计
- 技术风险:当前仅剩"坩埚材质中频加热"适配性一个关键技术点
- 沟通机制:方案细节可随时优化调整
技术联系人:炬鼎热能科技技术部
备注:本方案基于现有技术交流共识,最终以双方确认的详细设计文件为准。
我的微信
微信号已复制
我的微信
微信扫一扫




